Borstlösa likströmsmotorer BLDC och stegmotorer är vanliga "ställdon" för inbyggd elektronik. Tänker Du göra ett program som styr sådana komponenter kan börja med att laborera och undersöka en BLDC motor från en diskettenhet. Laborerar Du i skolans labsal så finns det oscilloskop och andra mätinstrument på plats. Laborerar Du hemma kan Du behöva få låna en väska med en Fluke123 scopemeter.

En diskettenhet är ju inte längre någon "het" spetsprodukt, men en sådan är ändå fullspäckad med intressanta givare och ställdon. Det kan därför vara värt att studera vad som finns inuti diskettenheten.
Man kan lugnt utgå från att skolan fått dom till ett "bra pris".
- Mycket sensorer för lite pengar ...
Diskettenheten består av ett metallchassie, ett kretskort, en pannkaksmotor, en stegmotor, magnetiskt tonhuvud mm.

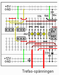
Pannkaksmotorns blockdiagram. Trefaslindning, rotormagnet, Hallgivare, logiknät, kommutering - trefasspänning.
Magnetfältet från en trefaslindning vrider en rotormagnet. Tre Hallgivare indikerar rotorpositionen, och ett logiknät "beräknar" hela tiden "nästa" position. Matningsspänningen, en likspänning, "hackas" av sex switchar till den trefasliknande spänningen. Motorn kommer att rotera precis så snabbt att generatoremken i lindningen "matchar" trefasspänningen.



Utförande, steg för stegInuti pannkaksmotornInga batterier behövs än.Pannkaksmotorn är "platt som en pannkaka". Lyft locket (rotor-delen) för att se vad som finns på insidan. |
|
Inuti locket/rotorn finns en remsa av billig mångpolig magnettejp.
På kretskortet finns en trefaslindning. Tre st faslindningar är lindade runt de 12 utpräglade polerna. Trefaslindningen är 4-polig (12/3=4 dvs. två polpar N-S-N-S). Detta ger en elektrisk "nedväxling" av varvtalet i jämförelse med en tvåpolig motor (6/3=2 dvs. ett polpar N-S). Lindningarna är Y-kopplade.
| Lindningens poltal |
Mellan de utpräglade polerna finns tre Hallgivare.
Induktiv pulsgivare - magnet på rotorn.
Takometerlindning - för hastighetsreglering.
Montera ihop motorn.
KommuteringslogikenAnslut nu batterierna |
|
På kopplingsdäcket finns tre röda lysdioder som indikerar logiknivåerna från Hallgivarna,
och tre tvåfärgs lysdioder röd/grön som indikerar trefasspänningarnas polaritet ( fasspänningen ).
För trafasspänningen gäller det alltid att det är en utgång som är positiv,
rött ljus, och en utgång som är negativ, grönt ljus,
medan en tredje utgång är 0, avslagen.
Starta motorn med skjutströmställaren EN,
men bromsa den med fingrarna.
Hallgivare: röd="1"
|
Trefas: röd="+", grön="-", "0"
|
||||
|---|---|---|---|---|---|
| H1 | H2 | H3 | OUT3 | OUT2 | OUT1 |
Detta är den "sanningstabell" som gör att motorstyrningskretsen "jagar" rotorn varvet runt, så fort som möjligt, fram eller back.
| Magnetens polpartal |
Mätningar med ScopemeterIndexpulsen Kör motorn med EN.
|
|
Hallspänningen Kör motorn med EN.

| Effektiv-värde | Frekvens |
|---|---|
| UAC [mV] | f [Hz] |
Tako-spänning Kör motorn med EN.

I en diskettenhet är det viktigt att disketten snurrar med rätt hastighet, även om mekaniken skulle "kärva". Takometerfrekvensen visar hela tiden det ögonblickliga varvtalet.
| f [Hz] |
En fråga inställer sig. Varför har spänningen i tako-lindningen en helt annan frekvens än den från Hallgivaren?
Motorns trefas-spänning Kör motorn med EN och studera en av spänningarna (huvudspänning).
![]() | ![]() |
Med Scopemetern ser man pulserna som driver ström genom lindningarna,
överlagrade med den spänning som induceras tillbaka i spolarna från den roterande magneten,
generatoremken.
Slår man av spänningen till motorn med EN, ser man bara den sinusformade generatoremken.
Motorn antar det varvtal där generatoremk "matchar" spänningspulserna.
Varvtalet blir proportionellt mot matningsspänningen precis som för en "vanlig" likströmsmotor.
(Motorkretsens strömbegränsning Kör motorn med EN.)

Motorstyrningskretsen har inbyggd strömbegränsning. (Vem skulle vilja vara utan den funktionen på en lab-utrustning?) Strömmen mäts med ett 1 Ohms motstånd, och när den når 1 A börjar kretsen att "hacka" för att hålla det maxvärdet.
(Scopemetern har ett strömmätningsområde för en 1 Ohm shunt, 1V/1A, som man skulle kunna använda för att mäta strömmen.)
Slå dig ihop med en granngrupp. Dela kontakterna på regnbågskablarna (Brun/Röd/Orange/Gul/Grön) och koppla grannens Hallgivare till din motorstyrningskrets (lika färger till varandra). Låt båda kopplingsdäcken ha sina batterier inkopplade, Du har EN på, och grannen EN av.
Det är naturligtvis inte meningen att utrustningarna skall kopplas ihop korsvis, men Du kan självklart inte låta bli!



Stegmotorn och pulsgivaren använder samma Gray-kod. De passar som "hand i handske" och kan därför kopplas mer eller mindre direkt till varandra.
På diskettenheten finns en stegmotor som positionerar läs/skriv-huvudet till aktuellt spår på disketten.
Stegmotorn har utförts med många poler så att inte linjärskruven ska behöva tillverkas med så fin gänga. Släden med Läs/skriv-huvudet behöver två pulser för att förflyttas från ett spår till det nästföljande.

På diskett-tiden var det naturligtvis nödvändigt att kunna formattera en diskett i en dator, och använda den i en annan.
Många funktioner lämpar sig bäst (billigast och enklast) att realisera med mekaniska mekanismer. Det bockade plåtchassiet inrymmer mängder av sådana funktioner, som kan vara intressanta att studera - om tiden tillåter.
Undersök hur man löst funktionerna kring inmatning och utmatning av en diskett!
Om tiden tillåter kan det även vara intressant att studera kretskortet.
Man kallar ett kretskort utan de påmonterade komponenterna för ett mönsterkort. Mönsterkortet är gjort av en glasfiberlaminerad plast som är elektriskt isolerande. På ytan av det isolerande materialet finns elektriska ledningsbanor av koppar som bildar förbindelse mellan komponenterna. Jordledaren brukar utföras som en sammanhängande yta, ett jordplan. Komponenterna kan vara monterade i hål genom kortet, men numera är det vanligast med komponenter som monteras direkt på ledningsmönstrets yta, sk. ytmontering. Ofta måste man på ett kort kombinera de två metoderna.
Kortet kan bestå av flera lager med ledningsmönster. De olika lagren förbinds med varandra med metalliserade hål i kortet. Det billigaste är naturligtvis att använda enkelsidiga mönsterkort, men då måste man ge kortet en sådan layout så att ledningarna aldrig korsar varandra på kortet. För att undvika korsande ledningar kan man montera sk. nollohmsmotstånd (Jumper). Detta är en "ledningstråd" i komponentkapsel som kan monteras maskinellt som de övriga komponenterna. På kortet brukar man screentrycka komponentbeteckningar och signalnamn med vit färg. Detta är till hjälp vid montering av komponenterna och vid reparation/felsökning.
På ledningsmönstret kan det finnas speciella testpunkter. Med hjälp av fjäderbelastade kontaktben kan man vid produktionen snabbt komma åt att testa olika funktioner på kortet. Det kan även finnas lödpunkter som placerats så nära varandra att man kan sammanbinda dem med en droppe lödtenn (soldered jumper). På det sättet kan man enkelt "programmera" elektronikkretsarna med anpassade inställningar för olika ändamål.
BLDC motorn arbetar med högre spänning och med högre ström än vad PIC-processor utrustningen är gjord för. Labbdäcket med BLDC motorn skall därför drivas med sitt eget spänningsaggregat, och PIC-processorn ska drivas från PICKit2 programmeraren. Utrustningarnas jord kopplas ihop (men inte matningsspänningarna).
Plocka bort de tre strömställarna från labbkopplingsdäcket och anslut ledningar för att PIC-processorn ska kunna styra dessa funktioner EN FWD/REV BRK. Om EN är en PWM signal så kan dessutom motorns hastighet styras med denna. (När utrustningen lämnas tillbaka skall strömställarna återställas). Vill man veta motorns hastighet kan man få information om denna genom att koppla en ledning till någon av Hallgivarnas lysdioder (H1 eller H2 eller H3).

Stegmotorn kan komma att dra mer ström än vad PICKit2 levererar från USB-uttaget. PIC-processorn skall drivas från USB-programmeraren medan stegmotor-kopplingsdäcket skall drivas från BLDC-labbdäcket och dess spänningsaggregat. Utrustningarnas jord kopplas ihop (men inte matningsspänningarna). För att kunna styra stegmotorn från PIC-processorn så tar man bort två ledningar (se kryssen) från pulsgivaren och ansluter PIC-processorns portpinnar och jord till stegmotor-kopplingsdäcket. Se figuren.

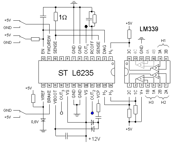
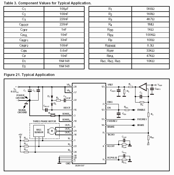
L6235.pdf ST L6235 Typical application